Запасные части ЧТЗ Запасные части ЧТЗ
Ульяновск
Например:
Актобе
Алдан
или
Выбрать автоматически
Актобе
Алдан
Алматы
Алчевск
Архангельск
Астана
Астрахань
Атырау
Баку
Балашиха
Барнаул
Белгород
Бердянск
Бишкек
Владивосток
Владикавказ
Воркута
Воронеж
Горловка
Грозный
Донецк
Екатеринбург
Иваново
Ижевск
Иркутск
Казань
Калининград
Каменск-Уральский
Караганда
Каховка
Кемерово
Киров
Комсомольск-на-Амуре
Костанай
Краснодар
Красноярск
Красный луч
Ленск
Луганск
Магадан
Магнитогорск
Макеевка
Махачкала
Мелитополь
Минск
Мирный (Якутия)
Москва
Мурманск
Нерюнгри
Нижневартовск
Нижний Новгород
Нижний Тагил
Новая каховка
Новокузнецк
Новосибирск
Новый Уренгой
Норильск
Ноябрьск
Нур-Султан
Омск
Оренбург
Ош
Павлодар
Пермь
Петрозаводск
Петропавловск
Петропавловск-Камчатский
Псков
Ростов-на-Дону
Салехард
Самара
Санкт-Петербург
Саратов
Севастополь
Семей
Симферополь
Сочи
Ставрополь
Сургут
Сыктывкар
Тараз
Ташкент
Токмак
Томск
Тында
Тюмень
Ульяновск
Усинск
Усть-Каменогорск
Уфа
Хабаровск
Ханты-Мансийск
Херсон
Челябинск
Чита
Шымкент
Экибастуз
Энергодар
Южно-Сахалинск
Якутск
Ваш город
Ульяновск
Войти
Запасные части к тракторам на одном сайте
+7 (932) 303-00-10
+7 (932) 303-00-10
г. Ульяновск, Московское шоссе, д. 9А
Пн-Пт: 9:30-18:30 Cб-Вс: Выходной
Отправить заявку


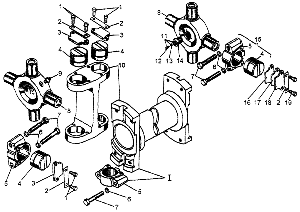
Кардан на Т10М / Б10М


/
с НДС 20%
Описание
Кардан на Т10М
# Номер запчасти Наименование детали Кол-во в сборке
- 64-49-1СП
64-49-3СП 1
Кардан 1
1 - Болт М8-6g×16.88.35.019 16
2 64-12-60 Планка 8
3 50-49-3 Крышка 8
4 - Подшипник 804707КЗС10 8
5 50-49-2 Опора 4, 8 1
6 - Шайба 12 ОТ 65Г 09 8; 16 1
7 - Болт М12×1,25-6g×65.88.45Х.019 8; 16 1
8 62-49-1 Крестовина 2
9 - Масленка 1.3.Ц6 2
10 64-49-3 Фланец 1
64-49-103СП 1
64-49-104СП 1
Труба 1
11 64-49-102СП Клапан 2
12 38301 Пружина 1
13 - Шарик Б10-200 1
14 64-49-2 Корпус 1
15 50-49-102СП Опора 4, 8 1
16 64-49-4 Пластина балансировочная 4
17 64-49-4-01 Пластина балансировочная 4
18 64-49-4-02 Пластина балансировочная 8
19 - Болт М8-6g×25.88.35.019 8 2
I - Для болотоходного трактора.
1 Для болотоходного трактора.
2 При установке пластин балансировочных.
Кардан