Запасные части ЧТЗ Запасные части ЧТЗ
Ульяновск
Например:
Актобе
Алдан
или
Выбрать автоматически
Актобе
Алдан
Алматы
Алчевск
Архангельск
Астана
Астрахань
Атырау
Баку
Балашиха
Барнаул
Белгород
Бердянск
Бишкек
Владивосток
Владикавказ
Воркута
Воронеж
Горловка
Грозный
Донецк
Екатеринбург
Иваново
Ижевск
Иркутск
Казань
Калининград
Каменск-Уральский
Караганда
Каховка
Кемерово
Киров
Комсомольск-на-Амуре
Костанай
Краснодар
Красноярск
Красный луч
Ленск
Луганск
Магадан
Магнитогорск
Макеевка
Махачкала
Мелитополь
Минск
Мирный (Якутия)
Москва
Мурманск
Нерюнгри
Нижневартовск
Нижний Новгород
Нижний Тагил
Новая каховка
Новокузнецк
Новосибирск
Новый Уренгой
Норильск
Ноябрьск
Нур-Султан
Омск
Оренбург
Ош
Павлодар
Пермь
Петрозаводск
Петропавловск
Петропавловск-Камчатский
Псков
Ростов-на-Дону
Салехард
Самара
Санкт-Петербург
Саратов
Севастополь
Семей
Симферополь
Сочи
Ставрополь
Сургут
Сыктывкар
Тараз
Ташкент
Токмак
Томск
Тында
Тюмень
Ульяновск
Усинск
Усть-Каменогорск
Уфа
Хабаровск
Ханты-Мансийск
Херсон
Челябинск
Чита
Шымкент
Экибастуз
Энергодар
Южно-Сахалинск
Якутск
Ваш город
Ульяновск
Войти
Запасные части к тракторам на одном сайте
+7 (932) 303-00-10
+7 (932) 303-00-10
г. Ульяновск, Московское шоссе, д. 9А
Пн-Пт: 9:30-18:30 Cб-Вс: Выходной
Отправить заявку


Головка цилиндров на Т-170


/
с НДС 20%
Описание
Головка цилиндров Т-170
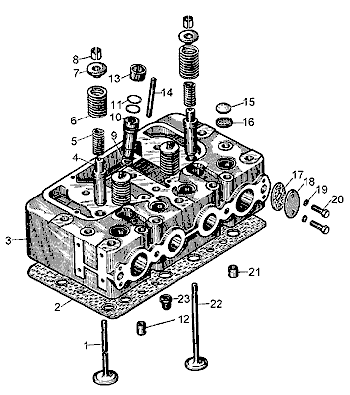
Поз.НаименованиеАртикулКол-во в сборке
0Головка блока 51-02-3СП2
0Головка цилиндров 51-02-111СП1
1Клапан впускной 14-02-33В2
2Прокладка 51-02-107-01СП2
3Головка цилиндров51-02-401
4Втулка клапана 51-02-414
5Пружина 700-38-28624
6Пружина клапана 700-38-2813 (38366)4
7Тарелка клапана 04894
8Сухарик 51-02-158
9Прокладка 51-02-472
10Втулка 51-02-482
11Кольцо 467644
12Кольцо467644
13Пробка стопорная 51-02-422
14Шпилька29466-014
15Заглушка сферическая51-02-504
16Донышко51-02-494
17Прокладка 401572
18Заглушка02992
19Шайба8Т65Г094
20БолтМ8Х20.58.0194
21Дефлектор длинный 51-02-434
22Клапан выпускной 14-02-322
23Кольцо 408438
24Трубка 022188
25Дефлектор короткий 51-02-444
Головка цилиндров