Запасные части ЧТЗ Запасные части ЧТЗ
Ульяновск
Например:
Актобе
Алдан
или
Выбрать автоматически
Актобе
Алдан
Алматы
Алчевск
Архангельск
Астана
Астрахань
Атырау
Баку
Балашиха
Барнаул
Белгород
Бердянск
Бишкек
Владивосток
Владикавказ
Воркута
Воронеж
Горловка
Грозный
Донецк
Екатеринбург
Иваново
Ижевск
Иркутск
Казань
Калининград
Каменск-Уральский
Караганда
Каховка
Кемерово
Киров
Комсомольск-на-Амуре
Костанай
Краснодар
Красноярск
Красный луч
Ленск
Луганск
Магадан
Магнитогорск
Макеевка
Махачкала
Мелитополь
Минск
Мирный (Якутия)
Москва
Мурманск
Нерюнгри
Нижневартовск
Нижний Новгород
Нижний Тагил
Новая каховка
Новокузнецк
Новосибирск
Новый Уренгой
Норильск
Ноябрьск
Нур-Султан
Омск
Оренбург
Ош
Павлодар
Пермь
Петрозаводск
Петропавловск
Петропавловск-Камчатский
Псков
Ростов-на-Дону
Салехард
Самара
Санкт-Петербург
Саратов
Севастополь
Семей
Симферополь
Сочи
Ставрополь
Сургут
Сыктывкар
Тараз
Ташкент
Токмак
Томск
Тында
Тюмень
Ульяновск
Усинск
Усть-Каменогорск
Уфа
Хабаровск
Ханты-Мансийск
Херсон
Челябинск
Чита
Шымкент
Экибастуз
Энергодар
Южно-Сахалинск
Якутск
Ваш город
Ульяновск
Войти
Запасные части к тракторам на одном сайте
+7 (932) 303-00-10
+7 (932) 303-00-10
г. Ульяновск, Московское шоссе, д. 9А
Пн-Пт: 9:30-18:30 Cб-Вс: Выходной
Отправить заявку


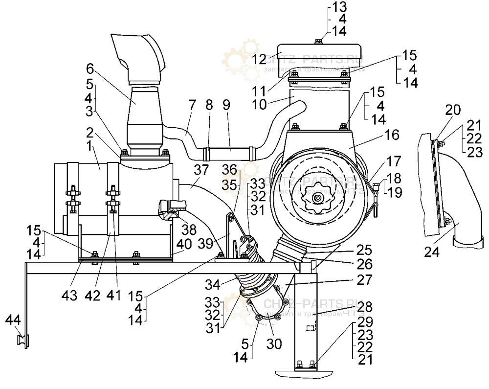
Установка агрегатов систем впуска и выпуска на Б12


/
с НДС 20%
Описание
Установка агрегатов систем впуска и выпуска на Б12
Поз. Обозначение Наименование Кол-во
1 51-05-459СП Глушитель 1
2 700-40-2636 Прокладка 1
3 Шпилька 2М10×35.66.083 6
4 31308-1 Шайба 21
5 Гайка М10-7Н.6.089 18
6 64-05-160СП Выхлопная труба 1
7 700-40-3686 Рукав 2
8 700-41-2235-17СП;
Хомут;
Хомут червячный SGT 32-50/9 Норма
2
9 700-40-3686-01 Рукав 1
10 64-05-180СП Мультициклон 1
11 64-05-153СП Воздухозаборник 1
12 64-05-157СП Крышка 1
13 Болт М10-6g×18.58.019 1
14 Шайба 10 ОТ 65Г 09 21
15 Гайка М10-7Н.6.019 14
16 64-05-165СП Воздухоочиститель 1
17 64-05-155СП Хомут 2
18 51-05-36 Втулка 2
19 700-28-2481 Болт 2
20 700-40-9104 Прокладка 1
21 Гайка М12-7Н.6.019 9
22 Шайба 12 ОТ 65Г 09 9
23 3135-1 Шайба 9
24 64-05-148 Патрубок 1
25 сб 3319-209-1 Хомут трубопровода 4
26 700-40-3484 Рукав 2
27 64-05-149 Патрубок 1
28 64-05-177СП Рама 1
29 Шпилька 2М12×35.66.019 4
30 64-05-193 Патрубок 1
31 Болт М8-6g×30.88.35.019 12
32 Шайба 8Т 65Г 09 12
33 Гайка М8-7Н.6.019 24
34 000.4859.105.000СП Компенсатор 1
35 Болт М10-6g×25.88.58.019 2
36 3197 Шайба 2
37 64-05-194 Патрубок 1
38 51-54-30 Кольцо уплотнительное 1
39 64-05-171СП Кронштейн 1
40 64-05-159СП Кронштейн 2
41 51-05-116СП Болт стяжной 1
42 51-05-295СП Хомут 2
43 64-05-186 Пластина 1
44 64-05-189 Рым-болт 1
Установка агрегатов систем впуска и выпуска