Запасные части ЧТЗ Запасные части ЧТЗ
Ульяновск
Например:
Актобе
Алдан
или
Выбрать автоматически
Актобе
Алдан
Алматы
Алчевск
Архангельск
Астана
Астрахань
Атырау
Баку
Балашиха
Барнаул
Белгород
Бердянск
Бишкек
Владивосток
Владикавказ
Воркута
Воронеж
Горловка
Грозный
Донецк
Екатеринбург
Иваново
Ижевск
Иркутск
Казань
Калининград
Каменск-Уральский
Караганда
Каховка
Кемерово
Киров
Комсомольск-на-Амуре
Костанай
Краснодар
Красноярск
Красный луч
Ленск
Луганск
Магадан
Магнитогорск
Макеевка
Махачкала
Мелитополь
Минск
Мирный (Якутия)
Москва
Мурманск
Нерюнгри
Нижневартовск
Нижний Новгород
Нижний Тагил
Новая каховка
Новокузнецк
Новосибирск
Новый Уренгой
Норильск
Ноябрьск
Нур-Султан
Омск
Оренбург
Ош
Павлодар
Пермь
Петрозаводск
Петропавловск
Петропавловск-Камчатский
Псков
Ростов-на-Дону
Салехард
Самара
Санкт-Петербург
Саратов
Севастополь
Семей
Симферополь
Сочи
Ставрополь
Сургут
Сыктывкар
Тараз
Ташкент
Токмак
Томск
Тында
Тюмень
Ульяновск
Усинск
Усть-Каменогорск
Уфа
Хабаровск
Ханты-Мансийск
Херсон
Челябинск
Чита
Шымкент
Экибастуз
Энергодар
Южно-Сахалинск
Якутск
Ваш город
Ульяновск
Войти
Запасные части к тракторам на одном сайте
+7 (932) 303-00-10
+7 (932) 303-00-10
г. Ульяновск, Московское шоссе, д. 9А
Пн-Пт: 9:30-18:30 Cб-Вс: Выходной
Отправить заявку


Гусеница на ДЭТ-320


/
с НДС 20%
Описание
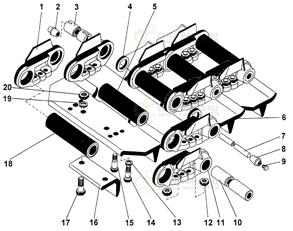
Гусеница ДЭТ-320
Поз. Обозначение Наименование Кол.
748-22-7СП или 748-22-7-01СП Гусеница
- 748-22-158СП Отрезок гусеницы (одно звено) 1 1; 1 2
- 748-22-158-01СП Отрезок гусеницы (11 звеньев) 5 2
- 748-22-158-03СП Отрезок гусеницы (27 звеньев) 1 1
- 748-22-158-04СП Отрезок гусеницы (28 звеньев) 1 1
1 748-22-75 Звено 1 3; 11 4; 27 5; 28 6
2 748-22-7 Конус стопорный 3 1; 6 2
3 748-22-74 Палец замыкающий 3 1; 6 2
4 748-22-9 Шайба 6 1; 12 2
5 748-22-78 Втулка замыкающая 1 3; 1 4; 1 5; 1 6
6 748-22-81 Башмак 1 3; 11 4; 27 5; 28 6
7 748-22-19 Стержень 3 1; 6 2
8 748-22-8 Конус стопорный 3 1; 6 2
9 700-40-5128 Пробка 3 1; 6 2
10 748-22-79 Палец 10 4; 26 5; 27 6
11 748-22-76 Звено 1 3; 11 4; 27 5; 28 6
12 30326-1 Гайка M20×1,5 6 3; 66 4; 162 5; 168 6
13 - Шайба 20 ОТ 65Γ 09 6 3; 66 4; 162 5; 168 6
14 700-28-232 Болт M20C×1,5×78 2 3; 22 4; 54 5; 56 6
15 700-28-233 Болт M20C×1,5×78 4 3; 44 4; 108 5; 112 6
16 748-22-45 7 Шпора 112
17 - Болт M24-8g×70.109.40X 7 224
18 748-22-77 Втулка 10 4; 26 5; 27 6
19 - Шайба 24 T 65Γ 09 7 224
20 - Гайка М24-7Н.6.019 7 224
1 Входит в 748-22-7СП.
2 Входит в 748-22-7-01СП.
3 Входит в 748-22-158СП.
4 Входит в 748-22-158-01СП.
5 Входит в 748-22-158-03СП.
6 Входит в 748-22-158-04СП.
7 Устанавливаются и поставляются по требованию потребителя по чертежу 748-22-152СП - установка шпор.

В запасные части гусеницу заказывать отрезками.
Комплект для одной гусеницы состоит из пяти отрезков 748-22-161СП по 11 звеньев в каждом и одного однозвенного отрезка 748-22-160СП, или из одного отрезка 748-22-161-01СП из 27 звеньев, одного отрезка 748-22-161-02СП из 28 звеньев и одного однозвенного отрезка 748-22-160СП.

Гусеница