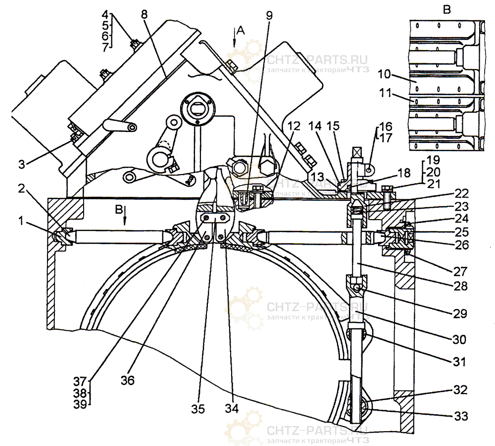
| Поз. | Обозначение | Наименование | Кол. |
| - | 749-18-2СП | Механизмы управления и тормозы | |
| 1 | 748-18-188 | Упор | 4 |
| 2 | 748-18-367 | Штанга | 4 |
| 3 | 700-29-218 | Шпилька | 4 |
| 4 | 700-29-220 | Шпилька | 8 |
| 5 | - | Гайка М10-6Н.04.45.019 | 12 |
| 6 | - | Шайба 10.02 | 8 |
| 7 | - | Шплинт 2,5×25.019 | 12 |
| 8 | 748-18-334 | Прокладка | 2 |
| 9 | 748-18-268 | Штифт | 2 |
| 10 | 748-18-156СП | Лента | 2 |
| 11 | 748-18-157СП | Лента | 2 |
| 12 | 748-18-172 | Прокладка | 2 |
| 13 |
748-18-196; 748-18-196-1 |
Прокладка | 4 |
| 14 | 748-18-191 | Кронштейн | 4 |
| 15 | - | Болт M12-6g×30.58.019 | 16 |
| 16 | 700-28-2173 | Болт M12×1,5×35.58 | 4 |
| 17 | - | Шайба 12 ОТ 65Г 09 | 26 |
| 18 | 730-17-85 | Кольцо войлочное | 4 |
| 19 | 2831 | Болт M16×1,5×50 | 54 |
| 20 | - | Шайба 16×2,5.01 | 54 |
| 21 | - | Шайба 16 ОТ 65Γ 09 | 54 |
| 22 | 748-18-192 | Шток | 4 |
| 23 | 700-38-185 | Пружина | 4 |
| 24 | 700-30-164 | Гайка | 4 |
| 25 | 748-18-151СП | Пробка | 4 |
| 26 | 748-18-23 | Штанга | 4 |
| 27 | 700-31-117 | Шайба стопорная | 4 |
| 28 | 748-18-220СП | Шток | 4 |
| 29 | - | Шарик Б16-200 | 4 |
| 30 | 748-18-21 | Шток | 1 |
| 31 | 748-18-194 | Палец | 1 |
| 32 | 748-18-222 | Кольцо | 2 |
| 33 | 748-18-195 | Палец | 1 |
| 34 | 748-18-174 | Рычаг | 1 |
| 35 | 748-18-91 | Серьга | 5 |
| 36 | 748-18-173 | Рычаг | 1 |
| 37 | 700-31-443 | Шайба | 4 |
| 38 | 700-47-67 | Валик с головкой | 4 |
| 39 | - | Шплинт 3,2×25.019 | 6 |
| Поз. | Обозначение | Наименование | Кол. |
| 1 | 748-18-162СП | Золотник | 1 |
| 2 | 748-18-163СП | Золотник | 1 |
| 3 | 30335 | Гайка | 4 |
| 4 | 700-29-2256 | Шпилька | 4 |
| 5 | - | Шплинт 4×36.019 | 4 |
| 6 | 749-18-103СП | Механизм управления | 1 |
| 7 | 749-18-102СП | Механизм управления | 1 |
| Поз. | Обозначение | Наименование | Кол. |
| - | 748-18-156СП | Лента | |
| 1 | - | Шплинт 4×22 | 4 |
| 2 | 748-18-1 1 | Колодка | 1 |
| 3 | 748-18-188 | Упор | 2 |
| 4 | 748-18-224 | Накладка | 1 |
| 5 | 748-18-225 | Накладка | 1 |
| 6 | 748-18-226 | Накладка | 1 |
| 7 | 748-18-227 | Накладка | 1 |
| 8 | 748-18-2 1 | Колодка | 1 |
| 9 | 700-48-52 | Палец | 2 |
| 10 | 748-18-4 1 | Колодка | 1 |
| 11 | 748-18-230 | Накладка | 1 |
| 12 | 748-18-231 | Накладка | 1 |
| 13 | 3629 | Заклепка | 124 |
| 14 | 748-18-228 | Накладка | 1 |
| 15 | 748-18-229 | Накладка | 1 |
| 16 | 748-18-3 1 | Колодка | 1 |
| 1 Заказывать комплектно. | |||
| Поз. | Обозначение | Наименование | Кол. |
| - | 748-18-157СП | Лента | |
| 1 | - | Шплинт 4×22 | 4 |
| 2 | 748-18-217 1 | Колодка | 1 |
| 3 | 748-18-188 | Упор | 2 |
| 4 | 748-18-235 | Накладка | 1 |
| 5 | 748-18-232 | Накладка | 1 |
| 6 | 748-18-218 1 | Колодка | 1 |
| 7 | 700-48-22 | Палец | 2 |
| 8 | 748-18-220 1 | Колодка | 1 |
| 9 | 748-18-233 | Накладка | 1 |
| 10 | 3629 | Заклепка | 88 |
| 11 | 748-18-234 | Накладка | 1 |
| 12 | 748-18-219 1 | Колодка | 1 |
| 1 Заказывать комплектно. | |||


