Запасные части ЧТЗ Запасные части ЧТЗ
Ульяновск
Например:
Актобе
Алдан
или
Выбрать автоматически
Актобе
Алдан
Алматы
Алчевск
Архангельск
Астана
Астрахань
Атырау
Баку
Балашиха
Барнаул
Белгород
Бердянск
Бишкек
Владивосток
Владикавказ
Воркута
Воронеж
Горловка
Грозный
Донецк
Екатеринбург
Иваново
Ижевск
Иркутск
Казань
Калининград
Каменск-Уральский
Караганда
Каховка
Кемерово
Киров
Комсомольск-на-Амуре
Костанай
Краснодар
Красноярск
Красный луч
Ленск
Луганск
Магадан
Магнитогорск
Макеевка
Махачкала
Мелитополь
Минск
Мирный (Якутия)
Москва
Мурманск
Нерюнгри
Нижневартовск
Нижний Новгород
Нижний Тагил
Новая каховка
Новокузнецк
Новосибирск
Новый Уренгой
Норильск
Ноябрьск
Нур-Султан
Омск
Оренбург
Ош
Павлодар
Пермь
Петрозаводск
Петропавловск
Петропавловск-Камчатский
Псков
Ростов-на-Дону
Салехард
Самара
Санкт-Петербург
Саратов
Севастополь
Семей
Симферополь
Сочи
Ставрополь
Сургут
Сыктывкар
Тараз
Ташкент
Токмак
Томск
Тында
Тюмень
Ульяновск
Усинск
Усть-Каменогорск
Уфа
Хабаровск
Ханты-Мансийск
Херсон
Челябинск
Чита
Шымкент
Экибастуз
Энергодар
Южно-Сахалинск
Якутск
Ваш город
Ульяновск
Войти
Запасные части к тракторам на одном сайте
+7 (932) 303-00-10
+7 (932) 303-00-10
г. Ульяновск, Московское шоссе, д. 9А
Пн-Пт: 9:30-18:30 Cб-Вс: Выходной
Отправить заявку


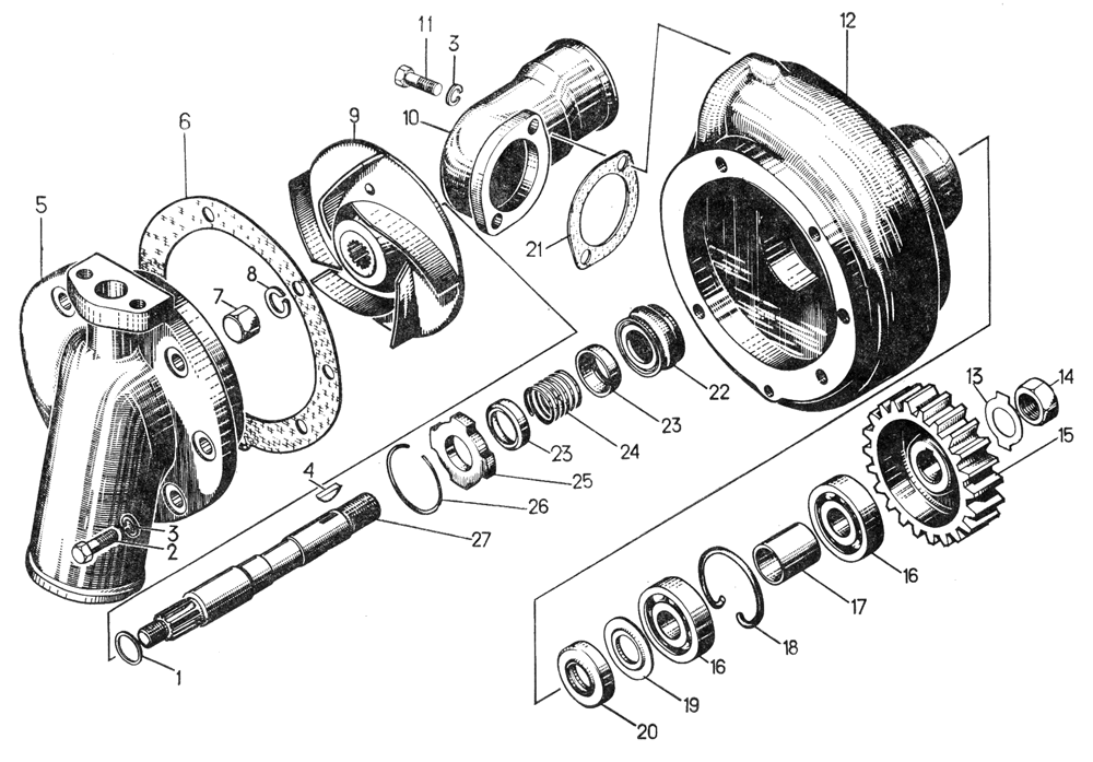
Водяной насос на Т-130


/
с НДС 20%
Описание
Водяной насос на Т-130
# Номер запчасти Наименование детали Кол-во в сборке
16-08-145СП Корпус 1
1 700-58-2405 Кольцо 1
2 Болт M10×25.58.019 5
3 Шайба 10ОТ 65Г 09 5
4 34126 Шпонка 1
5 16-08-104-2 Раструб 1
6 700-40-3097 Прокладка 1
7 700-30-2296 Гайка 1
8 Шайба 14ОТ 65Г 09 1
9 51-08-104СП Крыльчатка 1
10 16-08-110 Патрубок 1
11 Болт М10×22.58.019 2
12 16-08-109 Корпус 1
13 700-31-2529 Шайба 1
14 Гайка М18×1,5.6.019 1
15 16-08-5 Шестерня 1
16 Подшипник 304; 304К 2
17 16-08-6 Втулка 1
18 16-08-15 Кольцо 1
19 16-08-13 Шайба 1
20 Манжета 11 2-22×40-2 1
21 700-40-3833 Прокладка 1
22 700-40-2992 Гофр уплотнения 1
23 51-08-3 Седло 2
24 700-38-2235 Пружина 1
25 16-08-11-2 Шайба 1
26 51-08-11 Кольцо 1
27 51-08-25 Валик 1
Водяной насос