Запасные части ЧТЗ Запасные части ЧТЗ
Ульяновск
Например:
Актобе
Алдан
или
Выбрать автоматически
Актобе
Алдан
Алматы
Алчевск
Архангельск
Астана
Астрахань
Атырау
Баку
Балашиха
Барнаул
Белгород
Бердянск
Бишкек
Владивосток
Владикавказ
Воркута
Воронеж
Горловка
Грозный
Донецк
Екатеринбург
Иваново
Ижевск
Иркутск
Казань
Калининград
Каменск-Уральский
Караганда
Каховка
Кемерово
Киров
Комсомольск-на-Амуре
Костанай
Краснодар
Красноярск
Красный луч
Ленск
Луганск
Магадан
Магнитогорск
Макеевка
Махачкала
Мелитополь
Минск
Мирный (Якутия)
Москва
Мурманск
Нерюнгри
Нижневартовск
Нижний Новгород
Нижний Тагил
Новая каховка
Новокузнецк
Новосибирск
Новый Уренгой
Норильск
Ноябрьск
Нур-Султан
Омск
Оренбург
Ош
Павлодар
Пермь
Петрозаводск
Петропавловск
Петропавловск-Камчатский
Псков
Ростов-на-Дону
Салехард
Самара
Санкт-Петербург
Саратов
Севастополь
Семей
Симферополь
Сочи
Ставрополь
Сургут
Сыктывкар
Тараз
Ташкент
Токмак
Томск
Тында
Тюмень
Ульяновск
Усинск
Усть-Каменогорск
Уфа
Хабаровск
Ханты-Мансийск
Херсон
Челябинск
Чита
Шымкент
Экибастуз
Энергодар
Южно-Сахалинск
Якутск
Ваш город
Ульяновск
Войти
Запасные части к тракторам на одном сайте
+7 (932) 303-00-10
+7 (932) 303-00-10
г. Ульяновск, Московское шоссе, д. 9А
Пн-Пт: 9:30-18:30 Cб-Вс: Выходной
Отправить заявку


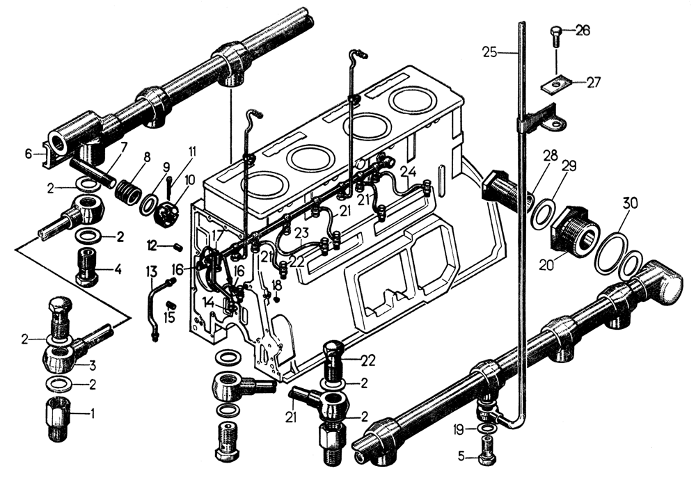
Маслопроводы двигателя на Т-130


/
с НДС 20%
Описание
Маслопроводы двигателя на Т-130
# Номер запчасти Наименование детали Кол-во в сборке
1 41201 Штуцер 6
2 40911 Кольцо 30
3 411146СП Трубка 1
4 411143 Штуцер 2
5 41688 Штуцер 2
6 29-09-110СП Маслопровод главный 1
7 29321 Шпилька 1
8 38307 Пружина 1
9 31308 Шайба 1
10 700-30-2263 Гайка 1
11 Шплинт 2,5×25 1
12 67209 Трубка 1
13 16-09-161СП Трубка 1
14 41207-1 Колено 1
15 700-32-2038 Штифт 1
16 41204-1 Колено 2
17 14-09-142СП Трубка 1
18 37102 Пробка 1
19 40912 Кольцо 4
20 09288 Штуцер 1
21 41643СП Трубка 3
22 41200 Штуцер 10
23 41645СП Трубка 1
24 41647СП Трубка 1
25 41649СП Трубка 2
26 Болт М6×16.58.019 2
27 700-31-158 Шайба 2
28 09287 Штуцер 1
29 40910 Кольцо 2
30 40909 Кольцо 1

Маслопроводы двигателя