Запасные части ЧТЗ Запасные части ЧТЗ
Ульяновск
Например:
Актобе
Алдан
или
Выбрать автоматически
Актобе
Алдан
Алматы
Алчевск
Архангельск
Астана
Астрахань
Атырау
Баку
Балашиха
Барнаул
Белгород
Бердянск
Бишкек
Владивосток
Владикавказ
Воркута
Воронеж
Горловка
Грозный
Донецк
Екатеринбург
Иваново
Ижевск
Иркутск
Казань
Калининград
Каменск-Уральский
Караганда
Каховка
Кемерово
Киров
Комсомольск-на-Амуре
Костанай
Краснодар
Красноярск
Красный луч
Ленск
Луганск
Магадан
Магнитогорск
Макеевка
Махачкала
Мелитополь
Минск
Мирный (Якутия)
Москва
Мурманск
Нерюнгри
Нижневартовск
Нижний Новгород
Нижний Тагил
Новая каховка
Новокузнецк
Новосибирск
Новый Уренгой
Норильск
Ноябрьск
Нур-Султан
Омск
Оренбург
Ош
Павлодар
Пермь
Петрозаводск
Петропавловск
Петропавловск-Камчатский
Псков
Ростов-на-Дону
Салехард
Самара
Санкт-Петербург
Саратов
Севастополь
Семей
Симферополь
Сочи
Ставрополь
Сургут
Сыктывкар
Тараз
Ташкент
Токмак
Томск
Тында
Тюмень
Ульяновск
Усинск
Усть-Каменогорск
Уфа
Хабаровск
Ханты-Мансийск
Херсон
Челябинск
Чита
Шымкент
Экибастуз
Энергодар
Южно-Сахалинск
Якутск
Ваш город
Ульяновск
Войти
Запасные части к тракторам на одном сайте
+7 (932) 303-00-10
+7 (932) 303-00-10
г. Ульяновск, Московское шоссе, д. 9А
Пн-Пт: 9:30-18:30 Cб-Вс: Выходной
Отправить заявку


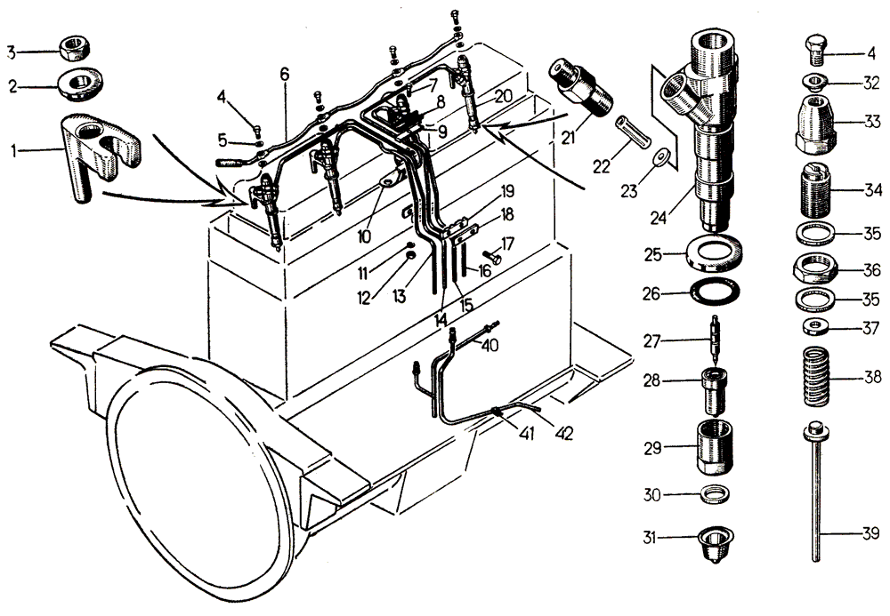
Форсунки на Т-130


/
с НДС 20%
Описание
Форсунки с трубками высокого давления 14-69-4СП на Т-130
# Номер запчасти Наименование детали Кол-во в сборке
14-69-107СП Распылитель 4
14-69-114СП Топливопроводы 1
14-69-116СП Фильтр 4
1 14-69-42 Рычаг 4
2 14-69-46 Шайба 4
3 3010 Гайка 4
4 67143 Штуцер 4
5 40938 Кольцо 8
6 700-41-2061СП Трубка 1
7 Болт М10×35.58.019 1
8 67480 Колодка 1
9 46808 Прокладка 2
10 14-69-53 Кронштейн 1
11 Шайба 10ОТ 65Г 09 3
12 Гайка М10.6.019 3
13 14-69-109СП Топливопровод I цилиндра 1
14 14-69-110СП Топливопровод II цилиндра 1
15 14-69-111СП Топливопровод III цилиндра 1
16 14-69-112СП Топливопровод IV цилиндра 1
17 Болт М10×40.58.019 2
18 67287 Планка 1
19 40939 Прокладка 2
20 14-69-117СП Форсунка 4
21 14-69-39 2 Штуцер 4
22 14-69-36 2 Элемент фильтрующий 4
23 14-69-32 Кольцо 4
24 14-69-44 Корпус форсунки 4
25 14-69-37 Щиток 4
26 700-40-2241 Кольцо 4
27 14-69-22 1 Игла 4
28 14-69-23 1 Корпус распылителя 4
29 317-23 Гайка распылителя 4
30 700-40-2010 Кольцо 4
31 700-40-5109 Колпак 4
32 700-40-5110 Пробка 4
33 14-69-55 Колпак форсунки 4
34 14-69-30 Винт 4
36 317-25 Контргайка 4
37 14-69-40 Шайба 4
38 700-38-2674 Пружина 4
39 14-69-118СП Штанга 4
40 41676СП Трубка 1
41 41638 Хомутик 2
42 41674СП Трубка 1
85 40936 Кольцо 8
1 Заказывать комплект 14-69-107СП.
2 Заказывать комплект 14-69-116СП.
Форсунки