Запасные части ЧТЗ Запасные части ЧТЗ
Ульяновск
Например:
Актобе
Алдан
или
Выбрать автоматически
Актобе
Алдан
Алматы
Алчевск
Архангельск
Астана
Астрахань
Атырау
Баку
Балашиха
Барнаул
Белгород
Бердянск
Бишкек
Владивосток
Владикавказ
Воркута
Воронеж
Горловка
Грозный
Донецк
Екатеринбург
Иваново
Ижевск
Иркутск
Казань
Калининград
Каменск-Уральский
Караганда
Каховка
Кемерово
Киров
Комсомольск-на-Амуре
Костанай
Краснодар
Красноярск
Красный луч
Ленск
Луганск
Магадан
Магнитогорск
Макеевка
Махачкала
Мелитополь
Минск
Мирный (Якутия)
Москва
Мурманск
Нерюнгри
Нижневартовск
Нижний Новгород
Нижний Тагил
Новая каховка
Новокузнецк
Новосибирск
Новый Уренгой
Норильск
Ноябрьск
Нур-Султан
Омск
Оренбург
Ош
Павлодар
Пермь
Петрозаводск
Петропавловск
Петропавловск-Камчатский
Псков
Ростов-на-Дону
Салехард
Самара
Санкт-Петербург
Саратов
Севастополь
Семей
Симферополь
Сочи
Ставрополь
Сургут
Сыктывкар
Тараз
Ташкент
Токмак
Томск
Тында
Тюмень
Ульяновск
Усинск
Усть-Каменогорск
Уфа
Хабаровск
Ханты-Мансийск
Херсон
Челябинск
Чита
Шымкент
Экибастуз
Энергодар
Южно-Сахалинск
Якутск
Ваш город
Ульяновск
Войти
Запасные части к тракторам на одном сайте
+7 (932) 303-00-10
+7 (932) 303-00-10
г. Ульяновск, Московское шоссе, д. 9А
Пн-Пт: 9:30-18:30 Cб-Вс: Выходной
Отправить заявку


Обслуживание воздухоочистителя


/
с НДС 20%
Описание

Замена фильтр-патронов воздухоочистителя дизеля

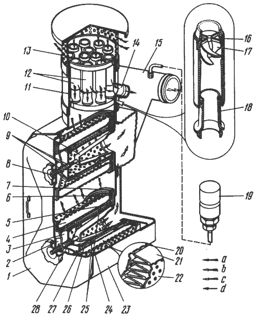
Определить степень засоренности ФП по положению красного поршня сигнализатора 19 при работе дизеля на максимальной частоте вращения холостого хода при нажатии на колпачок сигнализатора. Если при работе дизеля на указанном режиме прозрачная часть корпуса сигнализатора полностью перекрывается красным поршнем - фильтр-патроны 4 и 28 заменить или очистить.

Снимать ФП 4 осторожно вручную, так как крышки БФП приклеены к бумаге полиэтиленом и при ударах или попытках приложить повышенное усилие к ним, могут оторваться. Очистить перед установкой чистых БФП в корпус полость корпуса 23 от пыли и проверить исправность БФП. Не устанавливать бумажные фильтр-патроны, имеющие разрывы бумаги, нарушение заделки ее краев, повреждение уплотнительных резиновых колец. Целостность бумажной шторки и заделку ее краев проверять на свет, помещая электролампу внутрь БФП.

Убедиться перед закреплением ФП в корпусе воздухоочистителя, что они стоят правильно, и между уплотняющими поверхностями нет посторонних предметов или грязи. Гайки 9 крепления ФП хорошо затянуть, предварительно проверив наличие под ними паронитовых прокладок. Хорошее уплотнение ФП, крышек корпуса воздухоочистителя и всех стыков впускной трассы предотвращает попадание неочищенного воздуха в дизель и преждевременный его износ.

Проверить качество очистки БФП, очищенных продувкой, после установки их в корпус воздухоочистителя. Продуть при необходимости еще раз. Если сигнализатор вышел из строя, отсоединить трубку на патрубке воздухоочистителя от бонки. Отверстие в бонке заглушить болтом М12×1,25. При этом заменять основные (наружные) БФП через 250, а предохранительные ФП - через 500 моточасов. При работе в особо пыльных условиях сроки замены ФП сокращаются до 10 моточасов. Снятые ФП очистить продувкой или промывкой.

Очистка БФП сжатым воздухом

Продуть БФП сжатым воздухом под давлением не более 0,2 МПа струей, направленной наружу БФП. Во избежание разрыва бумажной шторы струю направить под углом 30-45° к вертикальной оси БФП, а сопло располагать не ближе 30 мм к бумаге.
Нельзя очищать БФП постукиванием или встряхиванием, чтобы не нарушить заделку краев бумаги. Не продувать БФП выхлопными газами.

Промывка ФП

После того как БФП два-три раза продули, а также при замасливании БФП промыть в 2%-ном водном растворе пасты ОП-7 или ОП-10 (20 г пасты на 1 л воды). Температура раствора 50°С. Для промывки погрузить БФП в приготовленный раствор и оставить в нем на 2 ч. Прополоскать БФП в растворе в течение 1-2 мин. После промывки в растворе промыть БФП в чистой воде и просушить. Время сушки при комнатной температуре не менее 24 ч. Если нет пасты, то БФП промыть в растворе стирального порошка или, предварительно продув, в чистой теплой воде. Промывка в чистой воде не устраняет замасливания. Если нет сжатого воздуха, то можно промыть БФП в чистой воде, но при этом активнее изнашивается фильтрующая бумага.

Сменные матерчатые чехлы 26 (см. рис. 14) предохранительных ФП промывают в растворах, указанных выше.
Перед промывкой матерчатые чехлы предохранительных ФП освободить от стопорных колец 25, снять с каркаса 27, промыть, высушить. Сухие чехлы надеть на каркас. Установить кольца. Допускается очищать сменные матерчатые чехлы, снятые с каркаса встряхиванием.
Ориентировочный срок службы ФП с продувками и промывками при нормальной запыленности воздуха основных - 1500 моточасов, предохранительных - 3000 моточасов. Заменять загрязненные ФП чистыми своевременно, так как загрязнение фильтрующей бумаги повышает сопротивление воздухоочистителя и может послужить причиной дымления, «залегания» поршневых колец и падения мощности дизеля.

Обслуживание мультициклонного воздухоочистителя

Проверить, нет ли пыли в корпусе 11 мультициклонного воздухоочистителя, чистоту циклонов 12, а также плотность соединения, мультициклонного воздухоочистителя со второй ступенью очистки. При необходимости промыть циклоны 12 и корпус 11 воздухоочистителя бензином и просушить. Одновременно осмотреть и при необходимости очистить эжекционную и выхлопные трубы.
Обслуживание воздухоочистителя